[IN-BOX] CMK 30126Pz.Kpfw. IV - interior set
Z pAmIęTnIkA nIeGrZeCzNeGo AnIołkA
Witam,Kolejny zestaw CMK, tym razem wnêtrze przedzia³u bojowego i wie¿y.
Zawiera elementy do wykonania wnêtrza zarówno w Ausf.H (elektryczny silnik do obrotu wie¿y), jak i w Ausf.J (Nahverteidigungswaffe).
Kartonowe pud³o (tak jak w poprzednim wypadku trudno z powrotem zapakowaæ od niego zawarto¶æ...):

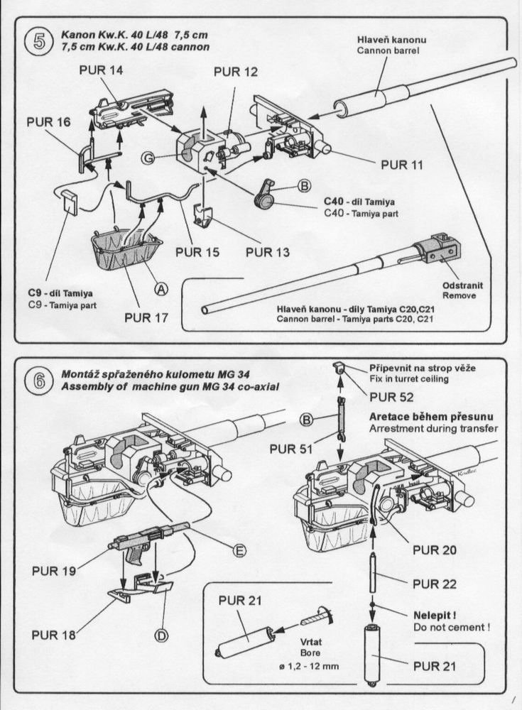
Instrukcja:









Ze strony CMK
Zawarto¶æ zestawu:
Blaszka Eduarda:

Podstawa wie¿y, pod³oga i firewall:


Pozosta³e elementy:







Zestaw bardzo podobny do 3012. Jako¶æ odlewu dobra, ale niektóre elementy bêd± wymaga³y dodatkowej uwagi. Bardzo rozs±dnie u³o¿one kostki wlewowe.
Zestaw kosztuje oko³o 75-80 z³. My¶lê, ¿e mo¿na go poleciæ ka¿demu, kto chce wykonaæ wnêtrze w "czwórce" Tamiyi, a którego i tak nie bêdzie widaæ